Ethical RISC-V IoT

Ethical RISC-V IoT Workshop
with VSDSquadron Mini

The “Ethical RISC-V IoT Workshop” at IIIT Bangalore, organized in collaboration with VSD, is a structured, educational competition aimed at exploring real-world challenges in IoT and embedded systems.

Participants progress through three stages: building an application, injecting and managing faults, and enhancing application security. The event spans from May 9 to June 15, 2024, culminating in a showcase of top innovations and an award ceremony. This hands-on hackathon emphasizes learning, testing, and securing applications in a collaborative and competitive environment.

Level 1 :
Build Application using the board

At this foundational level, participants are expected to develop an application using the RISC-V VSDSquadron Mini board shown in the image. This level covers the basics of programming the board, understanding its architecture, and interacting with its components such as LEDs, push buttons, and various I/O connectors.

Level 2 :
Inject fault into your C code using voltage or clock fluctuation

The second level introduces the concept of fault injection to test the robustness of the application. Participants need to intentionally introduce faults into their C code by manipulating voltage levels or clock signals. This can be achieved by using an external board designed for fault injection, which helps simulate real-world scenarios where hardware might experience unexpected electrical disturbances.

Level 3 :
Find ways to protect your application against this fault

The final level focuses on enhancing the security and reliability of the application by implementing strategies to protect against the faults introduced in Level 2. This involves developing error-handling routines, creating redundant code paths, and possibly employing hardware-based security features available on the RISC-V board to mitigate the effects of faults.

History of RISC-V

Timeline

Registration

9 – 22 May 2024

 

Inauguration Call

23 May 2024

An introductory webinar will be held to explain the hackathon process, engaging participants with the goals and expectations of the event.

RISC-V and Secured IoT Workshop

23 – 25 May 2024

Participants will be given access to the Training content on RISC-V and Embedded Secured IoT.Participants are supposed to complete the workshop and create a document of workshop in PDF format.

Level 1 Submission – Application development

26 – 29 May 2024

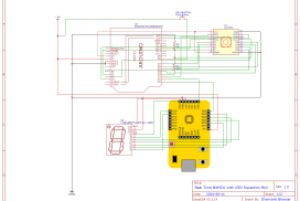
At this phase, participants will submit document consisting of Overview, Components Required to build your application, Circuit Connection, Pinout Diagram and Table for Pin connection. An example is shown here.

Level 2 and 3 Submission – Final idea about fault injection and protection

30 May – 5 June 2024

At this phase, participants will submit document explaining techniques to inject fault, circuit connections, pinout diagram and Table for Pin connection.

Top 50 Team Announcements

7th June 2024

Lab Access

14 – 15 June 2024

Participants will come to IIITB labs on 14th June where they will be handed over VSDSquadron Mini boards.

Winner announcement by afternoon

15th June 2024

The final event will be held at IIIT Bangalore MINRO Centre on 15th June and will showcase working prototypes, where the top 3 innovations and 7 consolation prizes will be awarded.

Presentation slides should have the below information (Template will be provided by VSD):

  1. Describe application using demonstration.
  2. Describe at what location of your code is the fault injected.
  3. Describe ways in which fault has been injected.
  4. Describe application after introducing fault.
  5. Describe ways in which the application was secured.
  6. Describe final application after securing.

We will have Chief guest from Ethical Cyber Security Sector for the Closure session and Judging part.

Prerequisite

  • Proficiency in C/C++ for embedded system development.
  • Familiarity with using Linux, including basic command-line operations, as many IoT and RISC-V development tools are Linux-based.
  • Understanding of microcontrollers, including working with GPIO, ADC, and common communication protocols like SPI, I2C, UART.
  • Basic ability to work with electronic components and read electronic schematics.

System Requirements

Organizers